| 產品描述 | 技術參數 | 包裝參數 | 技術文檔 | |||
|
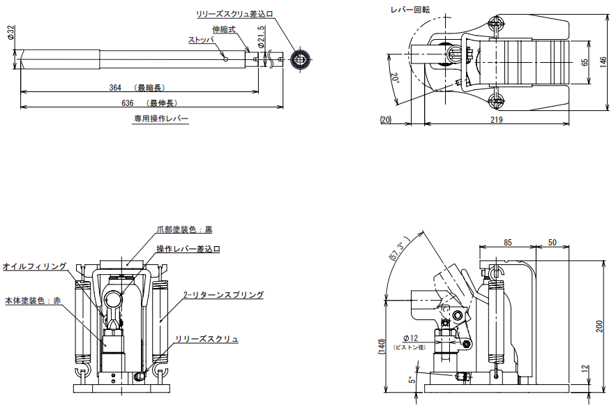
E-L-R型爪式千斤頂,長趾型爪式千斤頂,配備了回位彈簧,爪部加長設計,兼具「安全性」「高作業效率」「耐久性」的爪式千斤頂。 E-L-R型爪式千斤頂介紹 【產品名稱】E-L-R型爪式千斤頂 【產品品牌】日本鷹牌EAGLE JACK 【產品規格】爪部載重1-5t,頂部載重3-10t 【產品保質】質保1年 【應用領域】廣泛應用于汽車制造、鑄造機械、交通運輸、廠礦、電廠、煙廠、船舶重工、光學研究等場所。
E-L-R型爪式千斤頂質保 E-L-R型爪式千斤頂為日本原裝進口產品,保質1年,我公司承諾凡是客戶在我公司定購的進口類產品均為原裝正品,絕不存在拆件貨,換件貨,假冒品牌產品,凡客戶從我公司定購EAGLE JACK產品如收到貨物時發現有拆件貨,換件貨,假冒、假貨仿貨均以100倍金額賠償。
E-L-R型爪式千斤頂優勢 ●E-L-R型爪式千斤頂爪部進行了加長設計,這使得其應用范圍更加廣泛,特別是在需要更大頂升距離的場合表現出色 ●配備回位彈簧,空載時松螺絲即可自動、平穩下降 ●爪部和頭部都能頂升,應用范圍廣 ●杠桿座可180度旋轉,便于在狹窄空間側面操作。 ●設有安全閥,防止千斤頂過載而損壞 ●采用高強度材料與防滑握柄采用高強度材料與防滑握柄,其雙段式連接設計帶有可靠鎖止機構,保證了操作時的穩固性與安全性。 ●模塊化內部油路單元設計,大幅簡化了故障診斷、部件更換和整體保養流程? |
||||||
|
相關產品
|









